Domov / Produkt / JF-800 BI-kovové ložisko / JF-800F štandardné metrické príruba
veľkoobchod JF-800F štandardné metrické príruba

Popis produktu

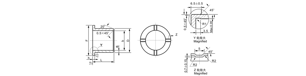
Typ F D d L h B
4040 60 46 40 39.5 3.5 3.0
4035 62 47 40 35 3.5 3.5
4055 68 55 45 55 3.5 5.0
5040a 72 57 50 40 3.5 3.5
5040b 70 57 50 40 3.5 3.5
5050 70 57 50 50 3.5 3.5
5460 92 60.6 54 60 3.5 3.3
6053 83 67 60 53 3.5 3.5
6060 87 67 60 60 3.5 3.5
6065 77 67 60 65 3.5 3.5
6060a 88 68 60 60 4.0 4.0
6060B 87 68 60 60 4.0 4.0
6465 102.6 70.4 63.5 65 3.5 3.5
6473 103 70.8 63.8 73 3.5 3.5
6553 85 72 65 53 3.5 3.5
6564 87 72 65 64 3.5 3.5
6575 108 72 65 75 3.5 3.5
7060 93 77 70 60 3.5 3.5
7090 108 80 70 90 5.0 5.0
7560 100 82 75 60 3.5 3.5
8060 105 87 80 68 3.5 3.5
8580 127 92 85 80 3.5 3.5
85103 128 92.6 85 103.5 3.5 3.8
89126 138 97.5 89.2 126.5 4.2 4.2
95127 144 105 95 127 5.0 5.0

Predstavenie produktu

Zhejiang Shuangnuo Technology Co., Ltd.
Zhejiang Shuangnuo Technology Co., Ltd. áno Čína JF-800F štandardné metrické príruba dodávateľa a veľkoobchod JF-800F štandardné metrické príruba spoločnosti, Sme profesionálny výrobca rôznych samomazných výrobkov zo zliatiny medi, ktorý využíva procesy ako odstredivé liatie, kontinuálne liatie a odlievanie do kovových foriem. Medzi hlavné produkty patrí mosadz, hliníkový bronz, cínový bronz atď. vyrábané podľa národných štandardných tried. Na tomto základe spracovávame a vyrábame rôzne pevné intarzované samomazné ložiskové produkty. Vyrábame aj bimetalové výrobky a mnoho ďalších druhov výrobkov technológiou spekania. Za takmer desať rokov od svojho vzniku sa spoločnosť zamerala na výskum, vývoj a výrobu rôznych nových samomazných ložísk.

Počas procesu výroby produktov spoločnosť vždy trvá na nezávislom odlievaní a výrobe surovín, aby sa zabezpečila kvalita produktu od zdroja; celý proces odlievania je monitorovaný a hotové výrobky sú trikrát testované spektrometrom pred, v a za pecou, ​​aby sa potvrdilo materiálové zloženie výrobku. Spoločnosť pravidelne poveruje národné testovacie inštitúcie testovaním materiálového zloženia a mechanických vlastností svojich produktov a zákazníkom, ktorí to potrebujú, môže poskytnúť autoritatívne správy o testoch. Spoločnosť implementuje integrovanú výrobu od materiálu po spracovanie hotového výrobku a má viac ako 80 hlavných zariadení, ako sú pokročilé CNC obrábacie stroje, CNC sústruhy a obrábacie centrá. Silná výrobná kapacita zabezpečuje, že výroba materiálu môže byť zorganizovaná pre zákazníkov čo najskôr, čím sa skracuje výrobný cyklus.
  • 0+
    Založenie

    Shuangnuo bola založená v roku 2014 a má 10 rokov skúseností v tomto odvetví.

  • 0+
    Pokročilé vybavenie

    Silná výrobná kapacita zaisťuje, že dokážeme zorganizovať výrobu materiálu pre zákazníkov čo najrýchlejšie a skrátiť výrobný cyklus.

  • 0+
    Spokojnosť zákazníkov

    Máme viac ako 5 000 spolupracujúcich zákazníkov po celom svete.

Naše novinky //
Správy a štatistiky.
Naša česť //
česť.
Zhejiang Shuangnuo Technology Co., Ltd.
Prísna kontrola kvality //
Pri výbere produktov sa zamerajte na kvalitu.
Zamerajte sa na každý proces, aby ste vytvorili vysokokvalitné produkty.
Sme si plne vedomí toho, že iba poskytovaním vysokokvalitných produktov môžeme uspokojiť potreby našich zákazníkov a vybudovať si dobrú povesť a dôveryhodnosť.

Požadujeme, aby samomazné výrobky zo zliatiny medi spĺňali príslušné národné normy a predpisy. Budeme prísne dodržiavať národné normy kontroly kvality, aby sme zabezpečili, že každý nami dodávaný produkt spĺňa požiadavky na kvalitu a podstúpi potrebné testovacie a certifikačné postupy.